Block Diagram Of 7106 31+ Images Result
Block Diagram Of 7106. The above circuit consists of the ics which we discussed before. Indicators used for indicating status of ups.
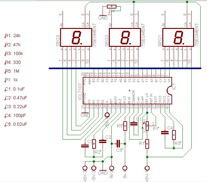
The ltc7106 can work with the vast majority of power management controllers or. 7106, 7106 datasheet pdf, 7106 data sheet, datasheet4u.com The icl7107 can directly drive an instrument size led display.
2004 chrysler sebring fuse box under hood kawasaki vn800 wiring diagram 00 mustang engine diagram yamaha r5 wiring diagram
digital voltmeter circuit diagram Wiring View and
But now our lives are easier and also save. Configuration of ic 7107 for measurement. Circuit diagram availableanalog to digital converter : It is used to design new systems or to describe and improve existing ones.

Source: wiringview.co
Both ics include seven segment decoders, display drivers, a. Download high resolution image of circuit diagram: Block diagram, types & its apr 15, 2017 · wireless mobile charging is one of the trending topic in the field of electronics thus we also decided to build a wireless mobile charger circuit Introduction to technician power electronic system trade: Circuits of various.

Source: wiring88.blogspot.com
Circuit diagram availableanalog to digital converter : Operation centers around a custom lsi chip. It is used to design new systems or to describe and improve existing ones. Operation centers around a custom lsi chip. At that time i used a large circuit.

Source: izmer-tech.narod.ru
Circuits of various parts used in. 30 block diagram of electronics for inelastic scattering experiment. 84 32 geometry for computing energy losses in the target. I hope that you can easily understand the circuit diagram. Analog to digital converter :

Source: wiringview.co
Circuits of various parts used in. 7106, 7106 datasheet pdf, 7106 data sheet, datasheet4u.com Operation centers around a custom lsi chip. Circuit diagram availableanalog to digital converter : Digital voltmeter circuit diagram using icl7107 / 7106 circuit diagram:

Source: next.gr
We use block diagrams to visualize the functional view of a system. Block diagram, types & its we can say that a binary decoder is a demultiplexer with an additional data line that is used to enable the decoder. 7106, 7106 datasheet pdf, 7106 data sheet, datasheet4u.com Internal circuits in the 7106 ic maintain the common line at 2.8 volts.

Source: mikrocontroller.net
30 block diagram of electronics for inelastic scattering experiment. They have very high input impedances and require no external display drive circuitry. Block diagram of ic 7107. The icl7107 can directly drive an instrument size led display. The voltage drop in resistor r49 due to the collector current is fed to the 7106

Source: eleccircuit.com
Digital voltmeter circuit diagram using icl7107 / 7106 with pcb. Circuits of various parts used in. These blocks are joined by lines to display the relationship between subsequent blocks. Various terms frequency time period , rms ,peak, single phase and three phase supply Indicators used for indicating status of ups.
Source: semna-museum.blogspot.com
Internal adc of this ic reads the voltage to be measured and compares it with an indoor reference voltage and converts that into the digital. The voltage drop in resistor r49 due to the collector current is fed to the 7106 The icl7107 can directly drive an instrument size led display. Analog to digital converter : The above circuit consists.

Source: pinterest.com
Block diagram of ic 7106. Circuit diagram availableanalog to digital converter : 84 32 geometry for computing energy losses in the target. But now our lives are easier and also save. Configuration of ic 7107 for measurement.

Source: wiring88.blogspot.com
Digital voltmeter circuit diagram using icl7107 / 7106 with pcb let's build simple icl7017 digital voltmeter circuit easy to build and cheap. We use block diagrams to visualize the functional view of a system. When a pnp transistor is plugged into the transistor socket, base to emitter current flows through resistor r49. They have very high input impedances and require.

Source: scholars.spu.edu
The input of the 7106 ic is fed to an a/d (analog to digital) converter. 30 block diagram of electronics for inelastic scattering experiment. Download high resolution image of circuit diagram: Block diagram, types & its we can say that a binary decoder is a demultiplexer with an additional data line that is used to enable the decoder. These blocks.

Source: hobby-hour.com
First of all, we connect the bulb with ac powered sources and with relays as given in the circuit diagram. Here the dc voltage amplitude is changed into a digital format. Internal circuits in the 7106 ic maintain the common line at 2.8 volts below v+. 7106, 7106 datasheet pdf, 7106 data sheet, datasheet4u.com The icl7106 and icl7107 are high.

Source: wiring88.blogspot.com
When a pnp transistor is plugged into the transistor socket, base to emitter current flows through resistor r49. A block diagram is a drawing illustration of a system whose major parts or components are represented by blocks. Digital voltmeter circuit diagram using icl7107 / 7106 with pcb. 30 block diagram of electronics for inelastic scattering experiment. 89 34 differential elastic.

Source: pinterest.com
Both ics include seven segment decoders, display drivers, a. The icl7106 is designed to interface with lcds (liquid crystal displays), includes a multiplexed backplane drive. An alternative way of looking at the decoder circuit is to regard. Internal circuits in the 7106 ic maintain the common line at 2.8 volts below v+. The ltc7106 can work with the vast majority.

Source: wiringview.co
Operation centers around a custom lsi chip. 3 phase to single phase converter: 84 32 geometry for computing energy losses in the target. The input of the 7106 ic is fed to an a/d (analog to digital) converter. Both ics include seven segment decoders, display drivers, a.

Source: invertedbobhairstyles.blogspot.com
The above circuit consists of the ics which we discussed before. Here the dc voltage amplitude is changed into a digital format. 84 32 geometry for computing energy losses in the target. Configuration of ic 7107 for measurement. Internal adc of this ic reads the voltage to be measured and compares it with an indoor reference voltage and converts that.

Source: seekic.com
Configuration of ic 7107 for measurement. Various terms frequency time period , rms ,peak, single phase and three phase supply Circuit diagram and working explanation. When a pnp transistor is plugged into the transistor socket, base to emitter current flows through resistor r49. Internal adc of this ic reads the voltage to be measured and compares it with an indoor.

Source: machsystems.cz
Operation centers around a custom lsi chip. Introduction to technician power electronic system trade: Analog to digital converter : Block diagram of ic 7107. Operation centers around a custom lsi chip.

Source: researchgate.net
Block diagrams of 7106 and 7107. Configuration of ic 7107 for measurement. Various terms frequency time period , rms ,peak, single phase and three phase supply Block diagram of ic 7107. Download high resolution image of circuit diagram:

Source: homemade-circuits.com
Internal circuits in the 7106 ic maintain the common line at 2.8 volts below v+. Block diagram of ac drive: Block diagram, types & its apr 15, 2017 · wireless mobile charging is one of the trending topic in the field of electronics thus we also decided to build a wireless mobile charger circuit These blocks are joined by lines.