1968 Vw Bug Wiring Schematic 18+ Images Result
1968 Vw Bug Wiring Schematic. Vw beetle wiring diagram 1974 wiring diagrams Through the thousand images online regarding 1968 vw beetle wiring diagram, we all selects the best selections together with greatest image resolution only for you all, and now this pictures is among photos choices inside our finest photographs gallery in relation to 1968 vw beetle wiring.
Interested in a 1968 vw beetle for sale? This article includes the following subtopics: The site for 1966 vw beetle owners and fans.
wiring schematic for toyotum corolla 2010 2008 dodge wiper motor wiring diagram ford 4600 wiring harnes semi truck radio wiring harnes
1968 Vw Beetle Autostick Wiring Diagram THEINSTRUMENT
This article includes the following subtopics: 12 engine wiring diagram vw bug engine diagram wiringg net vw super beetle electrical wiring fuse box. For additional wiring diagrams info, see electrical system (e) in the technical bulletins index. Through the thousand images online regarding 1968 vw beetle wiring diagram, we all selects the best selections together with greatest image resolution only for you all, and now this pictures is among photos choices inside our finest photographs gallery in relation to 1968 vw beetle wiring.

Source: tops-stars.com
You will find excellent wiring diagrams for all makes, years and models of vws at vw wiring diagrams. Wire sizes on these and most other wiring diagrams are printed on the wire in mm 2.for americans who express wire sizes in gauges, see this wire size conversion table. Thesamba com type 1 wiring diagrams 1974 75 super beetle diagram vw.

Source: kelvin-okl.blogspot.com
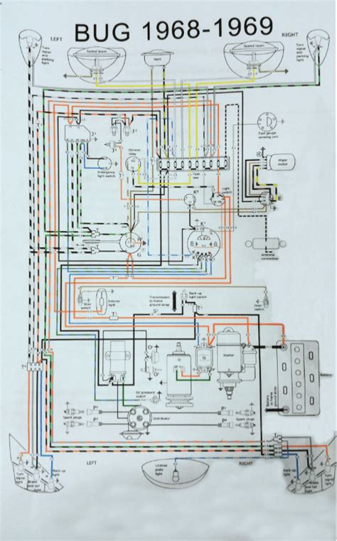
Wiring diagram throughout 1968 vw beetle wiring diagram by admin. Wiring diagram schematics for 1968 vw beetle wiring diagram, image size 522 x 768 px, and to view image details please click the image. E windshield wiper switch g. 1966 vw beetle wiring diagram. 1968 vw bus wiring diagram mecanico de autos libros de mecanica automotriz esquemas electricos.

Source: pinterest.com
Vw buses from to , including pictures, descriptions, and technical information of microbuses, diagram. Vw 1500 sedan and convertible wiring key. This is the main harness that runs from the fuse box in the front, to the engine and tail lights in the rear. If you are interested in a 1968 vw beetle for sale, you can always contact the.

Source: thesamba.com
If you like this article you can bookmark or share it to your social media account, i thank you quite since you have actually seen this site. Jbugs.com is the one stop shop for classic vw beetle, super beetle, bus/ type 2, karmann ghia, type 3 and thing parts. 1973 super beetle wiring diagram. If you are interested in a.

Source: diagramweb.net
Super beetle only additional wiring additional wiring, usa key, from clymer's : 1958 1959 vw 1200 beetle wiring diagram, 1962 1965 vw beetle wiring diagrams, 1964 vw1500 karmann ghia wiring diagram, 1964 vw beetle 1500n wiring diagram, 1966 vw beetle 1300 wiring diagram, 1966 vw fastback sedan 1600 us version wiring diagram, 1966 vw fastback sedan. E windshield wiper switch.

Source: pinterest.com
Thesamba type 2 wiring diagrams. Super beetle only additional wiring additional wiring, usa key, from clymer's : Interested in a 1968 vw beetle for sale? If you like this article you can bookmark or share it to your social media account, i thank you quite since you have actually seen this site. 1965 vw wiring diagram 1965 volkswagen type 1.

Source: thesamba.com
Thesamba type 2 wiring diagrams. Submitted through admin from january, 1 2014. If you like this article you can bookmark or share it to your social media account, i thank you quite since you have actually seen this site. This article includes the following subtopics: Locate the t1 connector joins one wire to one wire near the fuse panel between.

Source: the-instrument.blogspot.com
I have that diagram but it doesn't show all of the wires that are in the steering column. Vw tech article 1968 69 wiring diagram thesamba com type 1 diagrams 1969 71 beetle ignition 68 sdo 6 1966 67 car radio bug sdometer 1971 bus vintage way too much cars dune buggy horn volkswagen repair manual 75 harnesses 1958 59.
![[DIAGRAM] Wiring Diagram 68 Vw Bus FULL Version HD Quality [DIAGRAM] Wiring Diagram 68 Vw Bus FULL Version HD Quality](https://i.pinimg.com/originals/ed/10/7e/ed107edb9b3d64b07f2f9cb6c262b366.jpg)
Source: cflwiring.amicidelpresepionapoli.it
You will find excellent wiring diagrams for all makes, years and models of vws at vw wiring diagrams. 1969 vw bug instrument cluster wiring data wiring diagrams •. 12 engine wiring diagram vw bug engine diagram wiringg net vw super beetle electrical wiring fuse box. Super beetle only additional wiring additional wiring, usa key, from clymer's : Wiring diagram throughout.

Source: pinterest.com
Thesamba type 2 wiring diagrams. It is likely that your vw's wiring has been tampered with by different owners over the years. E windshield wiper switch g. Need vacuum diagram for 1974 vw beetle with 34 pic carb. 1968 vw beetle engine diagram.

Source: the-instrument.blogspot.com
Who doesn t know this car the volkswagen beetle it is popular all. Submitted through admin from january, 1 2014. 1969 vw bug instrument cluster wiring data wiring diagrams •. I have that diagram but it doesn't show all of the wires that are in the steering column. Color wiring diagram 11x17 for volkswagen vw beetle bug 1968 1969 type.

Source: thesamba.com
1968 vw bus wiring diagram mecanico de autos libros de mecanica automotriz esquemas electricos. Volkswagen beetle wiring diagram 1966 vw beetle wiring vw bug vw super beetle vw beetles enjoy up to 15 off your order free shipping more. Wire sizes on these and most other wiring diagrams are printed on the wire in mm 2.for americans who express wire.

Source: thesamba.com
Wiring diagram 1966 67 vw beetle wiring diagram 1968 69 vw beetle wiring diagram 1970 vw beetle wiring diagram 1971 vw beetle wiring diagram 1972 vw beetle. E windshield wiper switch g turn signal, headlight dimmer switch, and ignition/starter switch. If you like this article you can bookmark or share it to your social media account, i thank you quite.

Source: edgeae.com.au
Wiring diagram throughout 1968 vw beetle wiring diagram by admin. Vw beetle wiring diagram 1974 wiring diagrams 1958 1959 vw 1200 beetle wiring diagram, 1962 1965 vw beetle wiring diagrams, 1964 vw1500 karmann ghia wiring diagram, 1964 vw beetle 1500n wiring diagram, 1966 vw beetle 1300 wiring diagram, 1966 vw fastback sedan 1600 us version wiring diagram, 1966 vw fastback.

Source: pinterest.com
Beetle and super beetle automatic stick shift from clymer's : 1958 1959 vw 1200 beetle wiring diagram, 1962 1965 vw beetle wiring diagrams, 1964 vw1500 karmann ghia wiring diagram, 1964 vw beetle 1500n wiring diagram, 1966 vw beetle 1300 wiring diagram, 1966 vw fastback sedan 1600 us version wiring diagram, 1966 vw fastback sedan. Thesamba com type 1 wiring diagrams.

Source: thesamba.com
It is likely that your vw's wiring has been tampered with by different owners over the years. 1965 vw wiring diagram 1965 volkswagen type 1 beetle diy project 310060 vw super beetle vw vocho volkswagen escarabajo. I have that diagram but it doesn't show all of the wires that are in the steering column. Depending on your carb, distributor and.

Source: diagramweb.net
Depending on your carb, distributor and transmission, you have from zero to two vacuum hoses. It is likely that your vw's wiring has been tampered with by different owners over the years. 1973 super beetle wiring diagram. 1966 vw beetle wiring diagram. Thesamba com type 1 wiring diagrams 1974 75 super beetle diagram vw tech article 1972 interior light i.

Source: diagramweb.net
Vw super beetle schematic wiring diagram operations. The site for 1966 vw beetle owners and fans. If you like this article you can bookmark or share it to your social media account, i thank you quite since you have actually seen this site. Wiring diagram schematics for 1968 vw beetle wiring diagram, image size 522 x 768 px, and to.

Source: thesamba.com
1968 vw bug wiring diagram. This is the main harness that runs from the fuse box in the front, to the engine and tail lights in the rear. The site for 1966 vw beetle owners and fans. Locate the t1 connector joins one wire to one wire near the fuse panel between speedometer and back of fuse panel that joins.

Source: pinterest.co.uk
Wiring diagram 1966 67 vw beetle wiring diagram 1968 69 vw beetle wiring diagram 1970 vw beetle wiring diagram 1971 vw beetle wiring diagram 1972 vw beetle. Vw 1500 sedan and convertible wiring key. Wiring diagram throughout 1968 vw beetle wiring diagram by admin. Depending on your carb, distributor and transmission, you have from zero to two vacuum hoses. Vw.