1987 Jeep Yj Wiring Diagram Schematic 46+ Images Result
1987 Jeep Yj Wiring Diagram Schematic. This information is not in the factory shop manual. Jeep wrangler yj 1987 95 wiring 1988 harness diagram full radio schematic fuse diagrams farm 99617 stop light for 1994 ignition injector bmw 2001 1992 temp vacuum line 1997 92 dash 87 box 1989 cherokee no power to fuel pump control module ab.
We want your wiring diagrams! The fuel system of you jeep wrangler yj consists of a fuel tank lines pumps sending units filters and injectors. Jeep taillight wiring diagram with turn signal switch and headlamp switch in steering control module or st jeep wrangler jeep grand cherokee 2000 jeep wrangler
motherbucker wiring diagram skoda fabium wiring loom 1972 cub cadet wiring diagram kium sorento trailer wiring diagram
Repair Guides
The fuel system of you jeep wrangler yj consists of a fuel tank lines pumps sending units filters and injectors. Which wiring scematics do you need and maybe i can scan/email the pages, if this legal? Each page folds out to about 60 x 11. covers 1987 jeep wrangler and yj. All wire is 600 volt, 275°f, txl.

Source: wiringdiagram.2bitboer.com
Computer jeep yj 4.2 to 4.0 engine swap wiring part 1 89 cherokee starter relay diagnosis and replacement jeep gauges not. Jeep wrangler yj 1987 95 wiring 1988 harness diagram full radio schematic fuse diagrams farm 99617 stop light for 1994 ignition injector bmw 2001 1992 temp vacuum line 1997 92 dash 87 box 1989 cherokee no power to fuel.

Source: pinterest.com
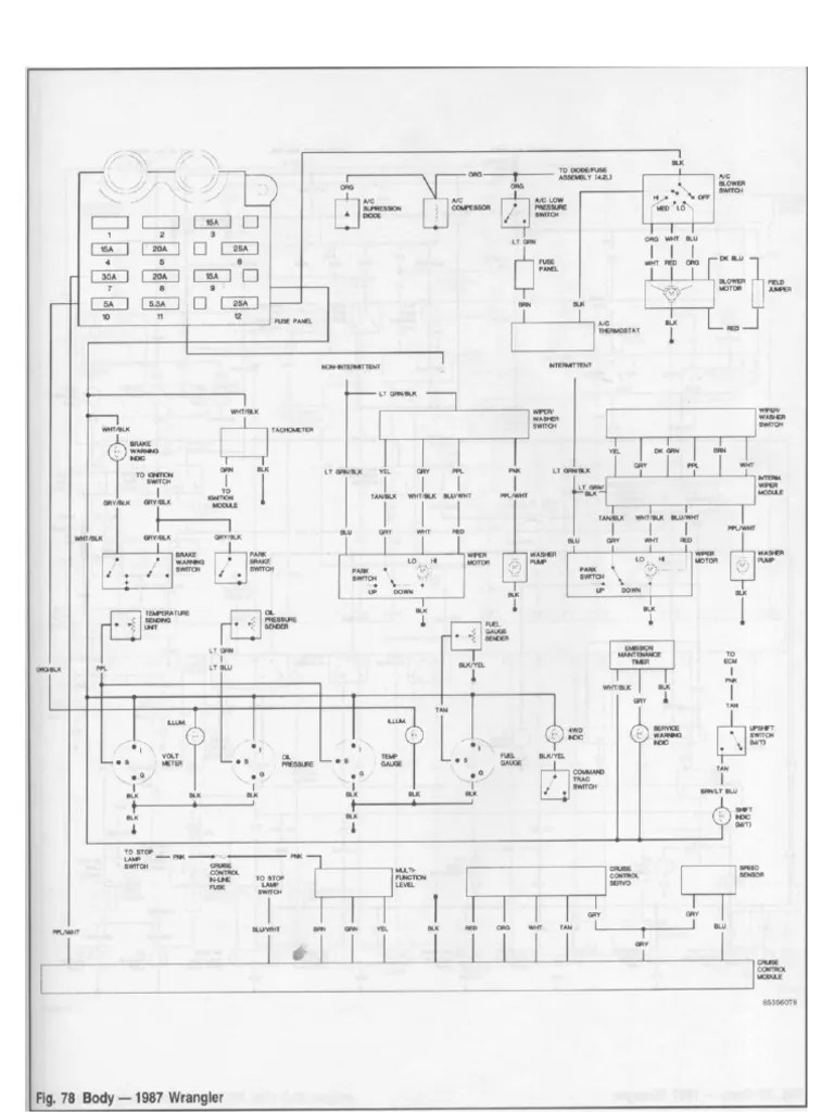
Diagrams are arranged such that the power (b+) 1997 2006 jeep wrangler tj 1993 1998 jeep grand cherokee zj 1987 1995 jeep wrangler yj 1985 1995 suzuki samurai 1984 2001 jeep cherokee xj 1981 1986 jeep cj8 1976 1986 jeep cj7 1976 1983 jeep cj5. You can troubleshoot electrical connections with diagrams that code the color of each individual wire.

Source: headcontrolsystem.com
These alternator wires necessary jeep. Posted on apr 06, 2009 (i bought this jeep with the swap done) woops to late now. 1987 1988 jeep wrangler yj electrical service manual diagrams schematics wiring. Access our jeep wrangler yj 1987 1995 wiring diagrams repair guide by creating an account or signing into your autozone rewards account.

Source: wiringdiagramsx.blogspot.com
Access our jeep wrangler yj 1987 1995 wiring diagrams repair guide by creating an account or signing into your autozone rewards account. 1987 jeep wrangler yj wiring diagram from ww2.justanswer.com. This manual covers all 1987. Print the cabling diagram off in addition to use highlighters to trace the routine. 1987 jeep wrangler yj wiring diagram.

Source: autozone.com
Which wiring scematics do you need and maybe i can scan/email the pages, if this legal? A wiring diagram is a simplified standard photographic depiction of an electrical circuit. Anyway i need some info on how exactly the yj is. Jeep wrangler yj wiring diagram. In many cases, this type of book can be used in place of a wiring.

Source: hestiahelper.blogspot.com
1987 jeep wrangler alternator wiring diagram. The wiring diagrams are grouped into individual sections. Air conditioning units, typical jeep charging unit wiring diagrams, typical emission maintenance reminder wiring diagrams, front. Standard automotive wire is gpt, 300 volt, 176°f, with pvc insulation. Chrysler wiring diagrams are designed to provide information regarding the vehicles wiring content.

Source: justanswer.com
Jeep taillight wiring diagram with turn signal switch and headlamp switch in steering control module or st jeep wrangler jeep grand cherokee 2000 jeep wrangler Www.pinterest.com yj alternator 3 wires jeep wrangler delco w integral regulator i have a 1990 the cherokee 1987 sport old one forum 1994 feel dumb for asking 1995 rio grande how to wire up my.

Source: justanswer.com
You can troubleshoot electrical connections with diagrams that code the color of each individual wire (the schematic is in black and white). The pdf includes ‘body’ electrical diagrams and jeep yj electrical diagrams for specific areas like: Discussion starter · #1 · sep 27, 2008. Air conditioning units, typical jeep charging unit wiring diagrams, typical emission maintenance reminder wiring diagrams,.

Source: headcontrolsystem.com
Whether you want to know how to change your radio in your 1987 jeep cherokee or figure our why car radio stopped working, a 1987 jeep cherokee radio wiring diagram can save you a lot of time. Wiring diagram is a technique of describing the installation configuration of electrical equipment, for example electrical installation equipment in substation on cb, from.

Source: autozone.com
This information is not in the factory shop manual. Or can maybe answer questions you may have, keeping in mind i am not a mechanic but i can read plans/schematics. Buy now for the best wiring schematic available for your jeep. Anyway i need some info on how exactly the yj is. Ivnducsocal jeep wrangler yj wiring diagram jeep wrangler.

Source: pinterest.com.mx
Working on alternator and found this any ideas jeep wrangler forum. Jeep taillight wiring diagram with turn signal switch and headlamp switch in steering control module or st jeep wrangler jeep grand cherokee 2000 jeep wrangler 1987 jeep wrangler yj wiring diagram from ww2.justanswer.com. Bit of a problem, most of the harness is cherokee, the rest i think, is yj..

Source: pinterest.com
87 jeep yj wiring diagram what’s new. These alternator wires necessary jeep. Alternator nippondenso 1993 jeep cherokee xj online manual. In many cases, this type of book can be used in place of a wiring diagram. We ship within 1 business.

Source: pinterest.com
Knowing what every wire does in your 1987 jeep cherokee radio wire harness takes the guess work out of changing your car radio or fixing your car stereo. 1997 2006 jeep wrangler tj 1993 1998 jeep grand cherokee zj 1987 1995 jeep wrangler yj 1985 1995 suzuki samurai 1984 2001 jeep cherokee xj 1981 1986 jeep cj8 1976 1986 jeep.

Source: wranglerforum.com
In many cases, this type of book can be used in place of a wiring diagram. You can troubleshoot electrical connections with diagrams that code the color of each individual wire (the schematic is in black and white). (i bought this jeep with the swap done) woops to late now. Wiring diagram is a technique of describing the installation configuration.

Source: wiringdiagram.2bitboer.com
These alternator wires necessary jeep. The specifications in this book will help you to understand connector configurations, and locate & identify harnesses, circuits, relays, and grounds. Hey dudes i have an 87 yj with an 89 cherokee 4.0 the wiring melted and i need to put all new stuff in. Each page folds out to about 60 x 11. covers.

Source: wranglerforum.com
When you make use of your finger or even follow the circuit together with your eyes, it is easy to mistrace the circuit. 1987 jeep wrangler sport old one fried hooked ride of any length. 87 jeep yj wiring diagram what’s new. We ship within 1 business. Posted on apr 06, 2009

Source: jeepforum.com
1987 jeep wrangler sport old one fried hooked ride of any length. Air conditioning units, typical jeep charging unit wiring diagrams, typical emission maintenance reminder wiring diagrams, front. This manual covers all 1987. Access our jeep wrangler yj 1987 1995 wiring diagrams repair guide by creating an account or signing into your autozone rewards account. This manual includes all wiring.
Source: kiona-machit.blogspot.com
Print the cabling diagram off in addition to use highlighters to trace the routine. Here you will find fuse box diagrams of jeep wrangler 1987, 1988, 1989, 1990, 1991, 1992, 1993, 1994 and 1995, get information about the location of the fuse panels inside the car, and learn about the assignment of each fuse (fuse. Computer jeep yj 4.2 to.
Source: scribd.com
Buy now for the best wiring schematic available for your jeep. We ship within 1 business. Print the cabling diagram off in addition to use highlighters to trace the routine. Bit of a problem, most of the harness is cherokee, the rest i think, is yj. Standard automotive wire is gpt, 300 volt, 176°f, with pvc insulation.

Source: pinterest.com
1994 jeep yj i feel dumb for asking. All wire is 600 volt, 275°f, txl. 1987 jeep wrangler yj wiring diagram. This information is not in the factory shop manual. Ivnducsocal jeep wrangler yj wiring diagram jeep wrangler yj jeep jeep concept.