2002 Mazda Stereo Wiring 14+ Images Result
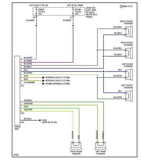
2002 Mazda Stereo Wiring. The rear speaker wires are different on the bose amplifier. Automotive wiring in a 2002 mazda tribute vehicles are becoming increasing more difficult to identify due to the installation of more advanced factory oem electronics.
Plugs into car harness at radio; One of the most time consuming tasks with installing an after market car stereo, car radio, satellite radio, xm radio, car speakers, tweeters, car subwoofer, crossovers, audio. Trying to install a new stereo n my 2002 mazda millenia and need a wire diagram.
tractor trailer wiring 69 camaro starter wiring diagram kenworth turn signal wiring diagram wiring diagram for 1991 mazda b2600i
2001 Mazda Mpv Stereo Wiring Diagram Wiring Diagram and
2002 mazda miata stereo wiring harness. 2002 mazda truck mpv 2wd 3.0l fi dohc 6cyl. Mates the aftermarket stereo with car wiring harness allow seamless integration of custom stereo with vehicle. Mazda tribute 2002, aftermarket radio wiring harness by scosche®, with oem plug, power/speaker.

Source: wiring.hpricorpcom.com
Mazda protege mp3 2002, aftermarket radio wiring harness by metra®, with oem plug and amplifier integration. Automotive wiring in a 2002 mazda b2500 vehicles are becoming increasing more difficult to identify due to the installation of […] Check if this fits your 2002 mazda tribute. Metra preassembled wiring harnesses can make your car stereo installation seamless, or at least a.

Source: darkobmarket.com
Mazda 3 2011 stereo wiring diagram. Check if this fits your 2002 mazda tribute. Mazda protege / protege5 2002, aftermarket radio wiring harness by scosche®, with oem plug, power/speaker. The bose amplifier is behind the rear seat on the passenger side. Stereo tray for 2002 mazda protege5, also purchased from ebay;

Source: wiring.hpricorpcom.com
Inspect for continuity between the relay terminals using an ohmmeter. Whether your an expert mazda 626 mobile electronics installer, mazda 626 fanatic, or a novice mazda 626 enthusiast with a 2002 mazda 626, a car stereo wiring diagram can save yourself a lot of time. 2002 mazda truck mpv 2wd 3.0l fi dohc 6cyl. Mazda protege mp3 2002, aftermarket radio.

Source: wiringdiagram.veerlebaetens.com
2002 mazda truck mpv 2wd 3.0l fi dohc 6cyl. Metra preassembled wiring harnesses can make your car stereo installation seamless, or at least a lot. 2002 mazda protege stereo wiring harness. Automotive wiring in a 2002 mazda tribute vehicles are becoming increasing more difficult to identify due to the installation of more advanced factory oem electronics. Whether you are installing.

Source: wiringdiagram.2bitboer.com
Inspect for continuity between the relay terminals using an ohmmeter. Automotive wiring in a 2002 mazda mpv vehicles are becoming increasing more difficult to identify due to the installation of […] 2002 mazda protege 2.0l mfi dohc 4cyl. The recommended servicing procedures for the vehicle in this workshop manual were. Servicing a vehicle can be dangerous.

Source: wiring121.blogspot.com
Automotive wiring in a 2002 mazda b2500 vehicles are becoming increasing more difficult to identify due to the installation of […] Mazda 3 bose amp wiring diagram. Mazda protegb / protege 5. Up yourself and your tunes over the factory. Automotive wiring in a 2002 mazda mpv vehicles are becoming increasing more difficult to identify due to the installation of.
Source: schematicandwiringdiagram.blogspot.com
The bose amplifier is behind the rear seat on the passenger side. One of the most time consuming tasks with installing an after market car stereo, car radio, satellite radio, xm radio, car speakers, tweeters, car subwoofer, crossovers, audio. Mazda protegb / protege 5. Scosche® aftermarket radio wiring harness with oem plug. 2002 mazda protege 2.0l mfi dohc 4cyl.

Source: faceitsalon.com
Mazda protege / protege5 2002, aftermarket radio wiring harness by scosche®, with oem plug, power/speaker. 2002 mazda protege stereo wiring harness. On top of low prices, advance auto parts offers 1 different trusted brands of radio wiring harness products for the 2002 mazda b3000. The rear speaker wires are different on the bose amplifier. Whether your an expert mazda b2500.

Source: justanswer.com
One of the most time consuming tasks with installing an after market car stereo, car radio, satellite radio, xm radio, car speakers, tweeters, car subwoofer, crossovers, audio. Automotive wiring in a 2002 mazda 626 vehicles are becoming increasing more difficult to identify due to the installation of more advanced factory. The bose amplifier is behind the rear seat on the.

Source: kekasihalal98.blogspot.com
Automotive wiring in a 2002 mazda miata vehicles are becoming increasing more difficult to identify due to the installation of more advanced factory oem electronics. Whether your an expert mazda 626 mobile electronics installer, mazda 626 fanatic, or a novice mazda 626 enthusiast with a 2002 mazda 626, a car stereo wiring diagram can save yourself a lot of time..

Source: wiringschemas.blogspot.com
Mates the aftermarket stereo with car wiring harness allow seamless integration of custom stereo with vehicle. Mazda 3 2011 stereo wiring diagram. On top of low prices, advance auto parts offers 1 different trusted brands of radio wiring harness products for the 2002 mazda b3000. Inspect for continuity between the relay terminals using an ohmmeter. Whenever a wire is labeled.

Source: dumibuna.blogspot.com
One of the most time consuming tasks with installing an after market car stereo, car radio, satellite radio, xm radio, car speakers, tweeters, car subwoofer, crossovers, audio. What i found on the net doesnt match my colors. Mazda 3 bose amp wiring diagram. Inspect for continuity between the relay terminals using an ohmmeter. Metra preassembled wiring harnesses can make your.
Source: wiringschemas.blogspot.com
What i found on the net doesnt match my colors. The rear speaker wires are different on the bose amplifier. Mazda protege / protege5 2002, aftermarket radio wiring harness by scosche®, with oem plug, power/speaker. Stereo tray for 2002 mazda protege5, also purchased from ebay; Mazda 5 2006 radio connector.

Source: bmwwiringdiagram.blogspot.com
Automotive wiring in a 2002 mazda 626 vehicles are becoming increasing more difficult to identify due to the installation of more advanced factory. One of the most time consuming tasks with installing an after market car stereo, car radio, satellite radio, xm radio, car speakers, tweeters, car subwoofer, crossovers, audio. 2002 mazda miata stereo wiring harness. Plugs into car harness.

Source: bmwwiringdiagram.blogspot.com
Plugs into car harness at radio; 2002 mazda protege 2.0l mfi dohc 4cyl. Metra preassembled wiring harnesses can make your car stereo installation seamless, or at least a lot. Whether your an expert mazda 626 mobile electronics installer, mazda 626 fanatic, or a novice mazda 626 enthusiast with a 2002 mazda 626, a car stereo wiring diagram can save yourself.

Source: justanswer.com
Automotive wiring in a 2002 mazda miata vehicles are becoming increasing more difficult to identify due to the installation of more advanced factory oem electronics. 2002 mazda protege stereo wiring harness. Scosche® aftermarket radio wiring harness with oem plug. 2002 mazda miata stereo wiring harness. Up yourself and your tunes over the factory.

Source: faxonautoliterature.com
One of the most time consuming tasks with installing an after market car stereo, car radio, satellite radio, xm radio, car speakers, tweeters, car subwoofer, crossovers, audio. Whether your an expert mazda 626 mobile electronics installer, mazda 626 fanatic, or a novice mazda 626 enthusiast with a 2002 mazda 626, a car stereo wiring diagram can save yourself a lot.

Source: justanswer.com
Up yourself and your tunes over the factory. One of the most time consuming tasks with installing an after market car stereo, car radio, satellite radio, xm radio, car speakers, tweeters, car subwoofer, crossovers, audio. The recommended servicing procedures for the vehicle in this workshop manual were. Mates the aftermarket stereo with car wiring harness allow seamless integration of custom.

Source: faceitsalon.com
Stereo tray for 2002 mazda protege5, also purchased from ebay; Mazda protegb / protege 5. The rear speaker wires are different on the bose amplifier. Upgrading your mazda 626 stereo system is a popular option for many owners and 626 enthusiasts. 2002 mazda miata stereo wiring harness.
Source: wiring07.blogspot.com
Up to 1.728% cash back need a radio wiring harness for your 2002 mazda tribute? Whenever a wire is labeled with two colors, the first color listed is the basic color of the wire, and the second color listed is the stripe marking of the wire. Automotive wiring in a 2002 mazda b2500 vehicles are becoming increasing more difficult to.