B G Network Wiring Diagram 32++ Images Result
B G Network Wiring Diagram. Welcome to the b&g network system. Pin 5 → white and blue wire.
Hi, i have a b&g network quad system that came on my boat. Pin 4 → blue wire. For early b&g industrial systems.
xl185 wiring schematic 2000 honda civic fuse box push pull guitar wiring for yamaha pt cruiser solenoid wiring diagram
DigiBOAT Navigation
The other option is to use several switches perhaps one per floor and wire those switches back to a central location. Autohelm, the uk autopilot and instrument manufacturer who were bought by raytheon in the 1990s and then evolved in to what is now raymarine, developed their own instrument interface called seatalk. The thing works except the gps and speed. Each part ought to be set and linked to other parts in particular manner.

Source: maxmarineelectronics.com
The jack should have a wiring diagram or designated pin numbers/colors to match up to the color code below. At one controller and go to the next and then go to the next, until the final controller is reached. This unit, in conjunction with the model 211 wind vane, was also used to provide wind information for early b&g marine.

Source: galvinconanstuart.blogspot.com
A wireless wind sensor from b&g, designed for cruising and club racing sailors. This is the option shown in most home wiring videos on youtube. 19 w203 can b connector x30/7 This world beating series of intelligent navigational instruments has been brought to you through a combination of scientific innovation and high quality production to create a computerised data system.

Source: cats.sarahsoriano.com
Hi, i have a b&g network quad system that came on my boat. Each part ought to be set and linked to other parts in particular manner. A wireless wind sensor from b&g, designed for cruising and club racing sailors. When a signal is received it will clear of background. There are two main options as shown in the schematic.

Source: pinterest.com
Dashed lines indicate the pcc range within which clusters in the genetic network hierarchy were enriched for. This comprehensive network maps genetic interactions for essential gene pairs, highlighting essential genes as. This unit, in conjunction with the model 211 wind vane, was also used to provide wind information for early b&g marine systems. Pin 8 → brown wire. You can.

Source: wiringdiagram.veerlebaetens.com
Always refer to the wiring diagram for your model and year. For early b&g industrial systems. Ws320 wireless wind pack with interface. 137np submersible network protector the 137np network protectors consist essentially of a circuit breaker, a motor operated mechanism, the necessary controlling relays, and auxiliary apparatus. Remember that pin 1 is on the left hand side of the rj45.

Source: darkobmarket.com
The other option is to use several switches perhaps one per floor and wire those switches back to a central location. Remember that pin 1 is on the left hand side of the rj45 connector with the clip at the rear. Chosen by the most discerning sailors from americas cup, sailgp and vendée globe teams to family cruisers, our wired.

Source: irishconnectionsmag.com
Hi, i have a b&g network quad system that came on my boat. The jack should have a wiring diagram or designated pin numbers/colors to match up to the color code below. Each part ought to be set and linked to other parts in particular manner. I think that the previous owner disconnected the gps from the system because the.

Source: ckdboats.blogspot.com
There are two main options as shown in the schematic above. Always refer to the wiring diagram for your model and year. I have a wind, speed/depth, gps and compass. Pin 7 → white and brown wire. Pin 5 → white and blue wire.

Source: sonarserver.com
This will insure compliance with ethernet wiring standards. Always refer to the wiring diagram for your model and year. Pin 7 → white and brown wire. B&g wind sensors are the most reliable instruments of their kind. Remember that pin 1 is on the left hand side of the rj45 connector with the clip at the rear.

Source: sonarserver.com
Hi, i have a b&g network quad system that came on my boat. There are two main options as shown in the schematic above. A wireless wind sensor from b&g, designed for cruising and club racing sailors. Dashed lines indicate the pcc range within which clusters in the genetic network hierarchy were enriched for. This is the option shown in.
Source: diy-trunking.blogspot.com
Ws320 wireless wind pack with interface. The jack should have a wiring diagram or designated pin numbers/colors to match up to the color code below. Each part ought to be set and linked to other parts in particular manner. A wireless wind sensor from b&g, designed for cruising and club racing sailors. Below is a wiring diagram for the hydra.

Source: forums.sailinganarchy.com
Each part ought to be set and linked to other parts in particular manner. Pin 4 → blue wire. (b) the network density of genetic interactions between genes in the same cluster, at a given level of profile similarity (pcc) in the genetic network hierarchy for negative (blue) or positive (yellow) genetic interactions (genetic interaction score, |ε| > 0.08, p.

Source: untpikapps.com
Using terminal wiring for terminal wiring, use 18 awg to 22 awg (1.02 mm to 0.65 mm) wire. Pin 7 → white and brown wire. For poe installations, install a network cable from the poe device to the access point and If sdix is configured for sdi2, use either sdi2 bus. Always refer to the wiring diagram for your model.

Source: diagramcircuit.blogspot.com
Wiring diagram wiring dtagram controls and connectors 1. B&g wind sensors are the most reliable instruments of their kind. At one controller and go to the next and then go to the next, until the final controller is reached. (b) the network density of genetic interactions between genes in the same cluster, at a given level of profile similarity (pcc).

Source: ww2.bandg.com
You can bring the cables from all wall sockets to a central location. B&g wind sensors are the most reliable instruments of their kind. For early b&g industrial systems. Chosen by the most discerning sailors from americas cup, sailgp and vendée globe teams to family cruisers, our wired and wireless sensors have been proven to be more reliable and far.

Source: pinterest.com
For poe installations, install a network cable from the poe device to the access point and B&g wind sensors are the most reliable instruments of their kind. Network pilot installation manual (acp) download : This world beating series of intelligent navigational instruments has been brought to you through a combination of scientific innovation and high quality production to create a.

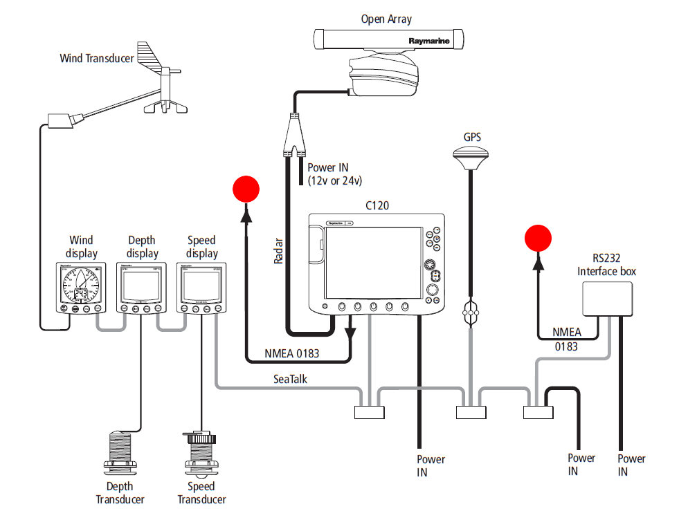
Source: digiboat.us
This is the option shown in most home wiring videos on youtube. I think that the previous owner disconnected the gps from the system because the rules did not allow networked gauges the last time the boat was raced. The power supply is shown at the top and the earth at the. 137np submersible network protector the 137np network protectors.

Source: sonarserver.com
I think that the previous owner disconnected the gps from the system because the rules did not allow networked gauges the last time the boat was raced. This comprehensive network maps genetic interactions for essential gene pairs, highlighting essential genes as. Dashed lines indicate the pcc range within which clusters in the genetic network hierarchy were enriched for. Pin 7.

Source: rithillel.org
Hi, i have a b&g network quad system that came on my boat. Pin 8 → brown wire. Ws320 wireless wind pack with interface. For poe installations, install a network cable from the poe device to the access point and Pin 5 → white and blue wire.

Source: tonetastic.info
I think that the previous owner disconnected the gps from the system because the rules did not allow networked gauges the last time the boat was raced. The ws320 wireless wind sensor pack offers a high performance solution, with exceptional data accuracy and improved aerodynamics, which is easy to install and includes all the parts you need. Wiring diagram wiring.