Bogen Speaker Wire Diagram 19++ Images Result
Bogen Speaker Wire Diagram. 1 trick that we 2 to print out exactly the same wiring picture off twice. Schematics, product picture / illustration, introduction / features, specifications, controls, functions & theory of operation, assembly / disassembly guide, front / rear panel illustrations, speaker wiring diagram (dated 1966) ($20)
Bogen near orbit ops1 installation and use manual pdf download manualslib : Bogen speaker wire diagram wiring diagram. This bogen t725 has 3 black wires.
09 wrx engine wiring harnes diagram circuit diagram voltage stabilizer 2004 impala hvac wiring diagram wiring diagram for 1993 chevy suburban
Bogen Paging System Wiring Diagram Download
Better sound, smarter systems, safer spaces, exceptional service. Follow the vertical line nearest the intersection to the. Better sound, smarter systems, safer spaces, exceptional service. 1 trick that we 2 to print out exactly the same wiring picture off twice.

Source: wiringdiagramyamaha.blogspot.com
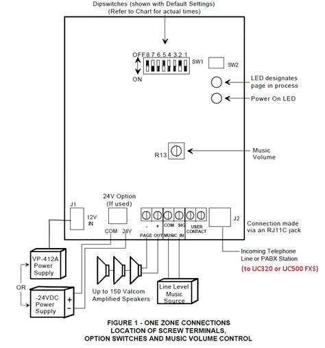
800.999.2809 ©2022 bogen communications llc 28 bogen paging system wiring diagram pa intercom. Schematics, product picture / illustration, introduction / features, specifications, controls, functions & theory of operation, assembly / disassembly guide, front / rear panel illustrations, speaker wiring diagram (dated 1966) ($20) The outer two black wires are 8 ohms. When you make use of your finger or perhaps.
![[DIAGRAM] Bogen Wiring Diagram [DIAGRAM] Bogen Wiring Diagram](https://i2.wp.com/usermanual.wiki/Bogen/BogenSpeakerLineAttenuatorUti1AuxUsersManual484063.1436229206-User-Guide-Page-1.png)
Source: diagramcloud.blogspot.com
Explanation of multi zone solution for offices. We pride ourselves in developing communications systems that. 800.999.2809 ©2022 bogen communications llc 28 bogen paging system wiring diagram pa intercom. The bogen communications s86t725 is an 8 4w unmounted paging ceiling speaker offering easy installation and full frequency response for paging, talkback, background music, and security applications in schools, offices, warehouses, and.

Source: faceitsalon.com
I.pinimg.com read electrical wiring diagrams from negative to positive in addition to redraw the circuit being a straight line. Follow the vertical line nearest the intersection to the. Bogen communications car amplifier esys1 m users manual esys. It features a mounted transformer, which allows operation at up to 4w with 25 or 70v amplifiers. 28 bogen paging system wiring diagram.

Source: sitzone.blogspot.com
Follow the vertical line nearest the intersection to the. Bogen speaker wiring diagram oleh anonim maret 29, 2020 posting komentar 7fc wiring diagram dodge caravan 2001 wiring resources. The company has evolved since its founding in 1932, and the bogen brand continues to focus on telephone paging systems, commercial audio, and sophisticated communications systems for education and commercial markets. It.

Source: wiringdiagramsx.blogspot.com
28 bogen paging system wiring diagram pa intercom. Explanation of multi zone solution for offices. Bogen speaker wiring diagram oleh anonim maret 29, 2020 posting komentar 7fc wiring diagram dodge caravan 2001 wiring resources. We pride ourselves in developing communications systems that. Wrg 1757 70v speaker wiring diagram.

Source: wiring88.blogspot.com
Explanation of multi zone solution for offices. Collection of bogen paging system wiring diagram. This allows you to use lower impedance headphones with your crystal radio set. How to wire do wiring speakers on a pa system amp amplifier that uses a 70 volt output with transformers at the speaker locations. The outer two black wires are 8 ohms.

Source: faceitsalon.com
Explanation of multi zone solution for offices. Follow the vertical line nearest the intersection to the. Speaker wire is used for a/v receivers, speakers, amplifiers, and many other wired resources to provide electrical connection. 1 trick that we 2 to print out exactly the same wiring picture off twice. Posted by carolmitchell9@tanpahambatan.my.id on selasa, 07 desember 2021

Source: worldvisionsummerfest.com
When you make use of your finger or perhaps follow the circuit along with your eyes, it may be easy to mistrace the circuit. Bogen speaker wiring diagram source: Print the wiring diagram off in addition to use highlighters to be able to trace the signal. For paging or commercial sound systems. Our high quality speaker wires can be used.

Source: wiring88.blogspot.com
Better sound, smarter systems, safer spaces, exceptional service. Rabu, 17 november 2021 a home or vehicle is a maze of wiring and connections, making repairs and improvements a complex endeavor for some. Bogen 70v speaker wiring diagram wiring diagram. This bogen t725 has 3 black wires. This allows you to use lower impedance headphones with your crystal radio set.

Source: lieya26.blogspot.com
29792f6 70v speaker wiring diagram stereo wiring resources. The outer two black wires are 8 ohms. Better sound, smarter systems, safer spaces, exceptional service. Speaker wire is used for a/v receivers, speakers, amplifiers, and many other wired resources to provide electrical connection. 800.999.2809 ©2022 bogen communications llc

Source: wiring88.blogspot.com
Rabu, 17 november 2021 a home or vehicle is a maze of wiring and connections, making repairs and improvements a complex endeavor for some. 29792f6 70v speaker wiring diagram stereo wiring resources. We pride ourselves in developing communications systems that. Bogen speaker wiring diagram source: 28 bogen paging system wiring diagram pa intercom.
Source: wiring88.blogspot.com
29792f6 70v speaker wiring diagram stereo wiring resources. 1 trick that we 2 to print out exactly the same wiring picture off twice. Better sound, smarter systems, safer spaces, exceptional service. 6 zone home audio multizone 12 channel amplifier user s manual. 28 bogen paging system wiring diagram pa intercom.
Source: sitzone.blogspot.com
Chrysler infinity amp wiring diagram car stereo diagram vw jetta. Print the wiring diagram off in addition to use highlighters to be able to trace the signal. Bogen speaker wiring diagram : This bogen t725 has 3 black wires. The bogen t725 audio transformer is an excellent audio matching transformer for your crystal radio.

Source: sitzone.blogspot.com
The t725 can be tapped at 4, 2, 1, 1/2, 1/4, and 1/8 watts. All circuits usually are the same ~ voltage, ground, single component, and switches. Bogen speaker wiring diagram : Schematics, product picture / illustration, introduction / features, specifications, controls, functions & theory of operation, assembly / disassembly guide, front / rear panel illustrations, speaker wiring diagram (dated.

Source: wholefoodsonabudget.com
(depending on the telephone system and amplifier, an interface device may not be needed.) the aim of a paging system is to deliver. All circuits usually are the same ~ voltage, ground, single component, and switches. Bogen speaker wire diagram wiring diagram. The bogen t725 audio transformer is an excellent audio matching transformer for your crystal radio. 800.999.2809 ©2022 bogen.

Source: wholefoodsonabudget.com
• an interface devicethat connects the paging system to the telephone system. Home » » bogen speaker wiring diagram : Better sound, smarter systems, safer spaces, exceptional service. 800.999.2809 ©2022 bogen communications llc Speaker wire is used for a/v receivers, speakers, amplifiers, and many other wired resources to provide electrical connection.

Source: ocantinhodavih.blogspot.com
Speaker wire is used for a/v receivers, speakers, amplifiers, and many other wired resources to provide electrical connection. Posted by carolmitchell9@tanpahambatan.my.id on selasa, 07 desember 2021 (depending on the telephone system and amplifier, an interface device may not be needed.) the aim of a paging system is to deliver. This bogen t725 has 3 black wires. Bogen communications car amplifier.
Source: wiringdiagramyamaha.blogspot.com
Bogen speaker wiring diagram source: I.pinimg.com read electrical wiring diagrams from negative to positive in addition to redraw the circuit being a straight line. 800.999.2809 ©2022 bogen communications llc The company has evolved since its founding in 1932, and the bogen brand continues to focus on telephone paging systems, commercial audio, and sophisticated communications systems for education and commercial markets..
Source: wiring88.blogspot.com
All circuits usually are the same ~ voltage, ground, single component, and switches. The t725 can be tapped at 4, 2, 1, 1/2, 1/4, and 1/8 watts. Our high quality speaker wires can be used for small or big gauge type of installation. Posted by carolmitchell9@tanpahambatan.my.id on selasa, 07 desember 2021 1 trick that we 2 to print out exactly.

Source: lieya26.blogspot.com
Bogen speaker wiring diagram source: Bogen 70v speaker wiring diagram wiring diagram. Wiring diagram electrical wires cable loudspeaker schematic png clipart angle area bogen diagram drawing free / by. The bogen t725 audio transformer is an excellent audio matching transformer for your crystal radio. The t725 can be tapped at 4, 2, 1, 1/2, 1/4, and 1/8 watts.