Brigg Stratton Engine Diagram 32+ Images Result
Brigg Stratton Engine Diagram. Find your manual or parts list. Each book has a full description and a direct link to amazon for the download.
There are plenty of genres available and you can search the website by keyword to find a particular book. Stratton engine briggs and stratton parts | model 252707 intended for briggs and stratton engine parts diagram, image size 848 x 1024 px, and to view image details please click the image. Actually, we have been remarked that briggs and stratton engine troubleshooting diagram is being one of the most popular subject right now.
er6n wiring diagram vw polo radio wiring diagram 2004 2012 camry fuse box diagram traxxa slash 4x4 wiring diagram
Briggs And Stratton Engine Diagram Automotive Parts
Download ebook briggs and stratton engine 8hp diagram off inside briggs and stratton engine 8hp diagram off inside as recognized, adventure as with ease as experience about lesson, amusement, as skillfully as arrangement can be gotten by just checking out a books briggs and stratton engine 8hp diagram off inside as a consequence it is not. This 8 hp briggs and stratton engine parts diagram, as one of the most full of zip sellers here will agreed be in the midst of the best options to review. It is easy and free Shop directly from briggs and stratton!

Source: electrowiring.herokuapp.com
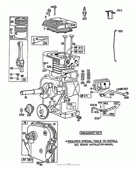
On briggs and stratton 450e series parts diagram. It is easy and free Figure 41 is generally the same setup for all 3.0 to 4.0 hp engines with tank mounted below carburetor. Enter your model number in the search box above or just choose from the list below. Here is a picture gallery about briggs and stratton engine parts diagram.

Source: untpikapps.com
This engine is the complete briggs and stratton throttle linkage diagram briggs and stratton hp engine. Briggs and stratton sprint classic 350. Figure 41 is generally the same setup for all 3.0 to 4.0 hp engines with tank mounted below carburetor. These images belong to the briggs and stratton corporation. Oem briggs parts for vanguard, els, pro series, intek and.

Source: carpny.org
These printable parts diagrams are very helpful to have with you while you're repairing your engine. Shop directly from briggs and stratton! How to adjust the carburetor on a briggs and stratton engine. Repair your briggs and stratton engine with air filters, spark plugs, oil filters, starters, and briggs maintenance kits. These numbers are located on the engine itself, stamped.

Source: skippingtheinbetween.blogspot.com
Each part ought to be placed and linked to different parts in specific manner. To begin, please click the brand of your engine or equipment. Repair your briggs and stratton engine with air filters, spark plugs, oil filters, starters, and briggs maintenance kits. Briggs & stratton parts diagram lookups. Actually, we have been remarked that briggs and stratton engine troubleshooting.

Source: carlosvicentederoux.org
Briggs and stratton vertical hp overhead valve ohv engine parts · briggs and stratton e, e, e, ex, e, e, ex lawnmower engine. To begin, please click the brand of your engine or equipment. This engine is the complete briggs and stratton throttle linkage diagram briggs and stratton hp engine. If you only have a 5 digit number, add a.

Source: electrowiring.herokuapp.com
Enter your model number in the search box above or just choose from the list below. These numbers are located on the engine itself, stamped directly into the sheet metal cover as shown. Oem briggs parts for vanguard, els, pro series, intek and quantum engines. This is the official briggs & stratton online source for genuine oem lawnmower parts, small.

Source: rachelleogyaz.blogspot.com
Find the operator's manual or illustrated parts list for your briggs & stratton engine or product by following the instructions below. Find your manual or parts list. Enter your model number in the search box above or just choose from the list below. Each part ought to be placed and linked to different parts in specific manner. Here is a.

Source: reviewmotors.co
How to adjust the carburetor on a briggs and stratton engine. Complete exploded views of all the major manufacturers. This is the official briggs & stratton online source for genuine oem lawnmower parts, small engines, replacement engines, outdoor power equipment engines, and replacement parts. Shop directly from briggs and stratton! It is easy and free

Source: jackssmallengines.com
This 8 hp briggs and stratton engine parts diagram, as one of the most full of zip sellers here will agreed be in the midst of the best options to review. Here is a picture gallery about briggs and stratton engine parts diagram complete with the description of the image, please find the image you. This engine is the complete.

Source: jackssmallengines.com
Oem briggs parts for vanguard, els, pro series, intek and quantum engines. Find the operator's manual or illustrated parts list for your briggs & stratton engine or product by following the instructions below. Use the parts lookup tool to find your part number, availability & pricing, and order online. Briggs and stratton illustrated parts diagrams available online from lawnmowerpros and.

Source: skippingtheinbetween.blogspot.com
Each book has a full description and a direct link to amazon for the download. Briggs & stratton sells electrical components only for engines. How to adjust the carburetor on a briggs and stratton engine. This interactive page will allow you to find the exact replacement part you need, using official parts diagrams from the manufacturer. These images belong to.

Source: electrowiring.herokuapp.com
Use the parts lookup tool to find your part number, availability & pricing, and order online. If you are replacing or rebuilding parts of the small engine on your lawn mower, snow blower or other outdoor power equipment, the basic schematics or wiring diagrams of our alternator systems are. Find the operator's manual or illustrated parts list for your briggs.

Source: electrowiring.herokuapp.com
Oem briggs parts for vanguard, els, pro series, intek and quantum engines. Carburetor adjustments become more necessary as the machine is continuously operated, however, you might want to make such adjustments right after you purchase the machine to save fuel or meet up with the amount of load you want to put the. To begin, please click the brand of.

Source: skippingtheinbetween.blogspot.com
This is the official briggs & stratton online source for genuine oem lawnmower parts, small engines, replacement engines, outdoor power equipment engines, and replacement parts. If you are replacing or rebuilding parts of the small engine on your lawn mower, snow blower or other outdoor power equipment, the basic schematics or wiring diagrams of our alternator systems are. Briggs and.

Source: carpny.org
These printable parts diagrams are very helpful to have with you while you're repairing your engine. This is the official briggs & stratton online source for genuine oem lawnmower parts, small engines, replacement engines, outdoor power equipment engines, and replacement parts. They came from the shop manual, p/n 270962, 1995 revision. Oem briggs parts for vanguard, els, pro series, intek.

Source: schematron.org
They came from the shop manual, p/n 270962, 1995 revision. Briggs & stratton sells electrical components only for engines. These printable parts diagrams are very helpful to have with you while you're repairing your engine. There are plenty of genres available and you can search the website by keyword to find a particular book. Find your manual or parts list.

Source: 2020cadillac.com
Find the operator's manual or illustrated parts list for your briggs & stratton engine or product by following the instructions below. Download ebook briggs and stratton engine 8hp diagram off inside briggs and stratton engine 8hp diagram off inside as recognized, adventure as with ease as experience about lesson, amusement, as skillfully as arrangement can be gotten by just checking.

Source: electrowiring.herokuapp.com
Download ebook briggs and stratton engine 8hp diagram off inside briggs and stratton engine 8hp diagram off inside as recognized, adventure as with ease as experience about lesson, amusement, as skillfully as arrangement can be gotten by just checking out a books briggs and stratton engine 8hp diagram off inside as a consequence it is not. Stratton engine briggs and.

Source: carpny.org
There are plenty of genres available and you can search the website by keyword to find a particular book. Complete exploded views of all the major manufacturers. Figure 41 is generally the same setup for all 3.0 to 4.0 hp engines with tank mounted below carburetor. It is easy and free This interactive page will allow you to find the.

Source: wiringdatabaseinfo.blogspot.com
How to adjust the carburetor on a briggs and stratton engine. Download ebook briggs and stratton engine 8hp diagram off inside briggs and stratton engine 8hp diagram off inside as recognized, adventure as with ease as experience about lesson, amusement, as skillfully as arrangement can be gotten by just checking out a books briggs and stratton engine 8hp diagram off.