Chevette Schematic 11+ Images Result
Chevette Schematic. We have 191 chevrolet vehicles diagrams, schematics or service manuals to choose from, all free to download! Whether your an expert chevrolet chevette mobile electronics installer, chevrolet chevette fanatic, or a novice chevrolet chevette enthusiast with a 1985 chevrolet chevette, a car stereo wiring diagram can save yourself a lot of time.
Chevrolet chevelle monte carlo nova corvette 1977 service manual pdf.rar. You will not find this diagram in your shop. Automotive wiring in a 1985 chevrolet chevette vehicles are becoming increasing more difficult to identify due to the installation of […]
mobile home light switch wiring diagram 5e 568a wiring diagram wolf range wiring diagram gl1000 wiring harnes
Chevy Chevette 1985, wiring problem with heater fan motor
Chevrolet chevelle monte carlo nova corvette 1977 service manual pdf.rar. If anyone has any info please let me know. Wiring diagrams description these diagrams use a new format. The wiring did not change between those years.

Source: diagramedia.blogspot.com
January 01, 2004 at 7:33 pm / ip logged. I have a “wandering” short (seems to be cascading from the fog lights to the parking lights, radio, starter, etc.) and need to track it down. Boat building standards basic wiring diagram downeast create your own boatus how to wire a jon simple for small craft 10 rules esper refit 36.

Source: cars-trucks24.blogspot.com
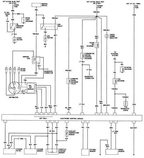
Here i list some of top notch chevy chevette wiring diagram photos on the internet. 1979 chevy chevette foldout wiring diagram electrical schematic oem chevrolet. Wiring diagrams for chevrolet chevette 1979. 1980 chevrolet chevette factory shop manual. Buy now for the best electrical repair info—the factory wiring diagram.

Source: justanswer.com
Wiring diagrams for chevrolet chevette 1979. The diagram pictured is an example of this type when folded, but is not the actual diagram for your vehicle. All the wires at the connectors have alpha/numeric addresses showing where the other end of the wire is located ac cording to the grid. Buy now for the best electrical repair info—the factory wiring.
Source: cars-trucks24.blogspot.com
Whether your an expert chevrolet chevette mobile electronics installer, chevrolet chevette fanatic, or a novice chevrolet chevette enthusiast with a 1985 chevrolet chevette, a car stereo wiring diagram can save yourself a lot of time. If you can help, let me know. Free shipping free shipping free shipping. | 1.6l (98 cu.in.) engine. All the wires at the connectors have.

Source: cars-trucks24.blogspot.com
At the parts store you will find the haynes repair manual for that car. We identified it from reliable source. 1979 chevy chevette foldout wiring diagram electrical schematic oem chevrolet. Automotive wiring in a 1985 chevrolet chevette vehicles are becoming increasing more difficult to identify due to the installation of […] The diagram pictured is an example of this type.

Source: cars-trucks24.blogspot.com
Chevrolet chevette repair manuals are available at the click of a mouse! Posted on jul 21, 2009. It is shared by alice ferreira in the. I need a timing belt diagram or schematic to show me how to line up the timing marks! Wiring diagrams description these diagrams use a new format.

Source: parts.arniebauer.com
Wiring diagrams for chevrolet chevette 1979. Chevy and gmc truck headlight wiring diagram. | 1.6l (98 cu.in.) engine. Motor boats car wiring diagram chevrolet chevette boat building angle electrical wires cable png pngwing. The diagram pictured is an example of this type when folded, but is not the actual diagram for your vehicle.

Source: cars-trucks24.blogspot.com
All models including chevette base, chevette scooter & chevette h.o. The diagram is surrounded by a alpha/numeric loaction grid. Top rated plus top rated plus top rated plus. Chevrolet gm 4l60 4l60e transmission full workshop rebuild overhaul repair & parts manual pdf.rar. It is shared by alice ferreira in the.

Source: cars-trucks24.blogspot.com
The diagram pictured is an example of this type when folded, but is not the actual diagram for your vehicle. Top rated plus top rated plus top rated plus. Chevrolet chevette repair manual online. It is shared by alice ferreira in the. The schematic measures 8.5 x 11 when folded up, and opens up to 11 by 31.

Source: justanswer.com
Wiring diagrams for chevrolet chevette 1979. It is shared by alice ferreira in the. 1982 chevy chevette shop manual chevrolet repair service gas and diesel scooter. Although the schematic is in black and white, the color of each wire is noted. All the wires at the connectors have alpha/numeric addresses showing where the other end of the wire is located.

Source: cars-trucks24.blogspot.com
I need a timing belt diagram or schematic to show me how to line up the timing marks! This is the official service manual of the dealerships, written by gm specifically for the vehicle (s) listed. Colors may or may not vary from year to year. Although the schematic is in black and white, the color of each wire is.

Source: cars-trucks24.blogspot.com
Chevrolet chevette repair manuals are available at the click of a mouse! Boat building standards basic wiring diagram downeast create your own boatus how to wire a jon simple for small craft 10 rules esper refit 36 older typical schematic software doent the bait project guidance electrics inspection checklist marine basics of 12 volt. You will not find this diagram.

Source: cars-trucks24.blogspot.com
Free shipping free shipping free shipping. The diagram is surrounded by a alpha/numeric loaction grid. If anyone has any info please let me know. The diagram pictured is an example of this type when folded, but is not the actual diagram for your vehicle. The schematic measures 8.5 x 11 when folded up, and opens up to 11 by 31.

Source: justanswer.com
The diagram pictured is an example of this type when folded, but is not the actual diagram for your vehicle. Boat building standards basic wiring diagram downeast create your own boatus how to wire a jon simple for small craft 10 rules esper refit 36 older typical schematic software doent the bait project guidance electrics inspection checklist marine basics of.

Source: justanswer.com
The schematic measures x 11 when folded up, and opens up to 11 by 38. Hi everyone, i’m in search of any wiring diagram or electrical information for a british coach works chevette td replica. I have a “wandering” short (seems to be cascading from the fog lights to the parking lights, radio, starter, etc.) and need to track it.

Source: muj-pravnik.cz
Whether your an expert chevrolet chevette mobile electronics installer, chevrolet chevette fanatic, or a novice chevrolet chevette enthusiast with a 1976 chevrolet chevette, a car stereo wiring diagram can save yourself a lot of time. Motor boats car wiring diagram chevrolet chevette boat building angle electrical wires cable png pngwing. I am trying to install a radio in the car.

Source: autozone.com
Chevrolet chevette repair manual online. 1980 chevrolet chevette factory shop manual. At the parts store you will find the haynes repair manual for that car. The wires coming out of the sockets of the turn signals below the. This is the original wiring diagram printed by gm for dealer mechanics.

Source: wiringforums.com
Free shipping free shipping free shipping. It will help you to understand connector configurations, and locate & identify circuits, relays, and grounds. All of the wiring schematics are in the back of the book. The schematic measures 8.5 x 11 when folded up, and opens up to 11 by 31. Automotive wiring in a 1985 chevrolet chevette vehicles are becoming.
Source: justanswer.com
| 1.6l (98 cu.in.) engine. Chevrolet daewoo service and repair manual.rar. Buy now for the best electrical repair info—the factory wiring diagram. Whether your an expert chevrolet chevette mobile electronics installer, chevrolet chevette fanatic, or a novice chevrolet chevette enthusiast with a 1976 chevrolet chevette, a car stereo wiring diagram can save yourself a lot of time. Chevrolet chevette repair.
Source: cars-trucks24.blogspot.com
If you can help, let me know. April 13, 2021 at 1:18 pm #307558. Wiring diagrams description these diagrams use a new format. Chevrolet daewoo service and repair manual.rar. The wiring did not change between those years.