Logic Gate Diagram Full Adder 47+ Images Result
Logic Gate Diagram Full Adder. Next, the full adder fa2 uses this carry bit c2 to add with the input bits a2 and b2 to generate the sum Full adder definition, block diagram, truth table, circuit diagram, logic diagram, boolean expression and equation are discussed.
Reversible logic, feynman gate, tr gate, power dissipation, full adder, full subtractor. A full adder is a digital circuit that performs addition. The equation or expression of the full adder is are, and they are as follows.
wire toggle switch wiring diagram 5 honda bike wiring diagram 2003 f350 f350 fuse diagram dirt bike wiring diagram for mini
Gateless Majority Logic [H]ardForum
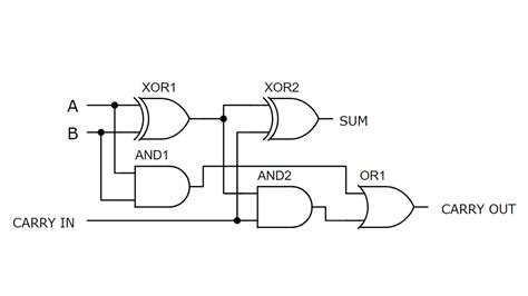
The full adder will take three inputs named as a, b, cin then it will give two outputs named as sum, carry out. The full adder (fa) circuit has three inputs: Remember, you can continue to improve. Full adder is the adder which adds three inputs and produces two outputs.

Source: electronics.stackexchange.com
Adapt it to suit your needs by changing text and adding colors, icons, and other design elements. In many computers and other kinds of processors adders are used in the arithmetic logic units or alu. The full adder has three input states and two output states i.e., sum and carry. We have two numbers 1100 and 1010. The result sum.
![[DIAGRAM] Wiring Diagram For Electric Gates FULL Version [DIAGRAM] Wiring Diagram For Electric Gates FULL Version](https://i2.wp.com/www.conceptdraw.com/How-To-Guide/picture/Engineering-Electrical-Design-Elements-Logic-Gate-Diagram.png)
Source: mep_schematic421.contrabbassiverdiani.it
Next, the full adder fa2 uses this carry bit c2 to add with the input bits a2 and b2 to generate the sum We can verify it easily from the above circuit diagram or from the boolean functions of outputs of full adder. The result sum is exclusively addition between a,b,cin then result carry is or. In the above table,.
![Gateless Majority Logic [H]ardForum Gateless Majority Logic [H]ardForum](https://i2.wp.com/hardforum.com/data/attachment-files/2018/02/105179_Full_Adder_Nand.png)
Source: hardforum.com
Full adder is a combinational logic circuit used for the purpose of adding two single bit numbers with a carry. The equation or expression of the full adder is are, and they are as follows. The adder outputs two numbers, a sum and a carry bit. This adder is called as full adder because for implementing one full adder, we.

Source: wiring121.blogspot.com
We have two numbers 1100 and 1010. From the above equation of the sum s, it is easily visible that first a and b are xored together, then cin. Click here for the full image. The full adder (fa) circuit has three inputs: Click here for the full image half adder logic.

Source: electricalengineering.xyz
Click here for the full image full adder logic. Click here for the full image 74hc32 (or gate) pinout diagram. Nand gate is one of the simplest and cheapest logic gates available. An adder is a digital logic circuit in electronics that performs the operation of additions of two number. The full adder (fa) circuit has three inputs:
Source: diagramedia.blogspot.com
Find the resultant through four bits full adder. The full adder (fa) circuit has three inputs: Easily export it in png, svg, pdf, or jpeg image formats for presentations, publishing, and printouts. 1.introduction reversible logic is one of the practical program for power efficient. They are also used in other parts of the processor, where they are used to calculate.

Source: pinterest.com
1.introduction reversible logic is one of the practical program for power efficient. A title full adder truth table logic diagram. It has n input (n >= 2) and one output. Then the full adder is a logical circuit that performs an addition operation on three binary. S = a ⊕ b⊕cin.

Source: electronics.stackexchange.com
The full adder is an added that takes three inputs &generates two outputs as a result. Easily export it in png, svg, pdf, or jpeg image formats for presentations, publishing, and printouts. Logic about for bit full adder. The full adder has three input states and two output states i.e., sum and carry. The adder outputs two numbers, a sum.

Source: cocinapiruana.blogspot.com
Nand gate is one of the simplest and cheapest logic gates available. Once you are finished, show your demo to the present ta, who will assign your grade out of five. The half adder can be used to add two numbers only. A title full adder truth table logic diagram. A full adder within digital logic.

Source: scienceabc.com
Carry out = a.b + (a⊕b).cin; The adder outputs two numbers, a sum and a carry bit. The full adder will take three inputs named as a, b, cin then it will give two outputs named as sum, carry out. The 1st logic toggle of each xor 1 switch is called a bit. Click here for the full image full.

Source: youtube.com
A full adder is a digital circuit that performs addition. The full adder (fa) circuit has three inputs: Xnor gate is a special type of gate. Full adder is a combinational logic circuit used for the purpose of adding two single bit numbers with a carry. Click here for the full image.

Source: circuitverse.org
They are also used in other parts of the processor, where they are used to calculate addresses, table indices, increment and decrement operators and similar operations. The circuit of full adder using only nand gates is shown below. In the above table, 'a' and' b' are the input variables. Carry out = a.b + (a⊕b).cin; Schematic symbol for a 1.

Source: circuitverse.org
Full adder definition, block diagram, truth table, circuit diagram, logic diagram, boolean expression and equation are discussed. Block diagram of full adder. In many computers and other kinds of processors adders are used in the arithmetic logic units or alu. Next, the full adder fa2 uses this carry bit c2 to add with the input bits a2 and b2 to.

Source: gatevidyalay.com
The full adder will take three inputs named as a, b, cin then it will give two outputs named as sum, carry out. Click here for the full image half adder logic. Nand gate is one of the simplest and cheapest logic gates available. Full adder is the adder which adds three inputs and produces two outputs. We have two.

Source: eeweb.com
The 2nd logic toggle of each xor 1. Logic diagram truth table xnor gate. Click here for the full image. The 1st logic toggle of each xor 1 switch is called a bit. The half adder can be used to add two numbers only.

Source: techspot.com
Then the full adder is a logical circuit that performs an addition operation on three binary. Although adders can be constructed for. The equation or expression of the full adder is are, and they are as follows. The half adder can be used to add two numbers only. Logic diagram and truth table of sr logic diagram and truth table.

Source: maxcruz-mylife.blogspot.com
Full adder is a combinational logic circuit used for the purpose of adding two single bit numbers with a carry. The half adder is used to add only two numbers. ⊕ is the symbol of the xor operation. It can be used in the half adder, full adder and subtractor. A full adder is a digital circuit that performs addition.

Source: wiringschemas.blogspot.com
Logic diagram and truth table of sr logic diagram and truth table. A full adder is a digital circuit that performs addition. In the above table, 'a' and' b' are the input variables. Full adder is a combinational logic circuit used for the purpose of adding two single bit numbers with a carry. Click here for the full image.

Source: electronics.stackexchange.com
In many computers and other kinds of processors adders are used in the arithmetic logic units or alu. Click here for the full image. The result sum is exclusively addition between a,b,cin then result carry is or. Full adder definition, block diagram, truth table, circuit diagram, logic diagram, boolean expression and equation are discussed. So as shown in truth table.

Source: skippingtheinbetween.blogspot.com
Logic about for bit full adder. The equation or expression of the full adder is are, and they are as follows. As shown in the figure, firstly the full adder fa1 adds a1 and b1 along with the carry c1 to generate the sum s1 (the first bit of the output sum) and the carry c2 which is connected to.