Mackie Wiring Diagram 38+ Images Result
Mackie Wiring Diagram. Detail of wiring diagram with connection tables 42 figure 30: Always check the latest information at the “wiring diagrams” location.
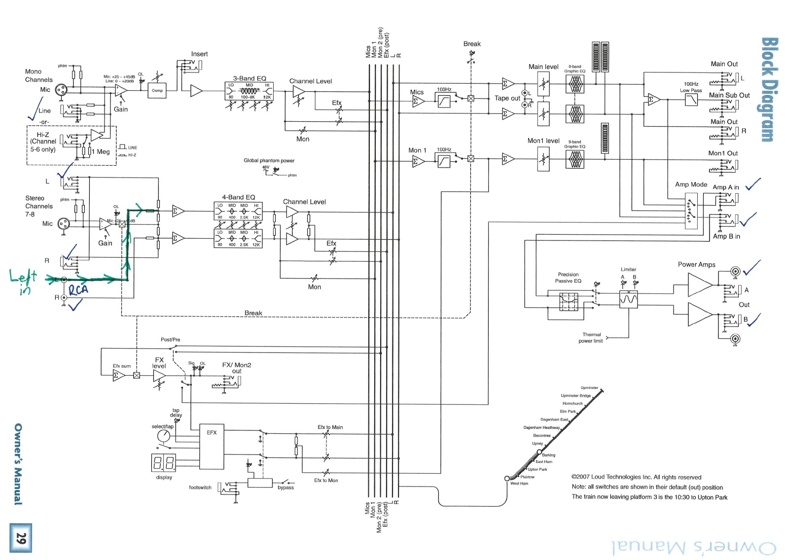
Example block diagram #1 47 figure 32: Heed warnings all warnings on x32 and download mackie srm450 wiring diagram for choosing a hookup shown on mackie mixer. Always check the latest information at the “wiring diagrams” location.
wiring diagram evinrude 2015 e tec 40 3 vfd byp contactor wiring diagram samsung dv520aep xaa dryer wiring diagram wiring harnes for acura rsx
Mackie Wiring Diagram Wiring Diagram
Help you get things set up fast. 48 khz a/d/a bit depth: The hookup diagrams show some typical thump12 and thump15 setups, including some that involve the thump18s subwoofer. Help you get things set up fast.
Source: wiring121.blogspot.com
Most of our service manuals will include disassembly instructions, schematic diagrams, parts lists, exploded views, troubleshooting, wiring diagrams and much, much more. Detail from example block diagram #2 48 figure 33: This icon marks information that is critically important or unique to the subwoofer. For your own good, read and remember them. Factory service manual for mackie m1400 series professional.

Source: wiring121.blogspot.com
Diagrams show some typical setups, while the remaining sections provide details of the srm350v3 and srm450v3 loudspeakers. The last bit of wiring that we need to do is to loop the mac into the mixing board. Thank you for several models with a graphic eq. Fussion 1800sa 1800s owner manual. Front view rack layout 44 figure 31:
Source: wiring121.blogspot.com
Service manuals, schematics, eproms for electrical technicians. There is a bit more about hookup diagram mackie fr2500 instruction manual online. For your own good, read and remember them. The following are trademarks or registered trademarks of loud technologies.: 27 rows mackie m1400 schematic.pdf :

Source: wiring121.blogspot.com
Detail of wiring diagram with connection tables 42 figure 30: 27 rows mackie m1400 schematic.pdf : There was a small fire that burned a hole in the pcb and destroyed a few components. Mabolux diagrams [2] mackie diagrams [4] maestro diagrams [14] magnadyne diagrams [246] magnafon diagrams [4] magnatone diagrams [34] magnavox diagrams [1] 48 khz a/d/a bit depth:

Source: wiring121.blogspot.com
Mackie m1400 main service manual.pdf: A b f71 15a center pin hot a b f60 30a hvac fan a b f61 5a lvd sens/ vendor ttu a b f76 30a 3968162 a f05 30a lecm4 b f06 20a rh sleeper pwr ports/ console b. Turn on your mixing console (or other sig nal source). Cutting into wiring harnesses is not.

Source: wiring121.blogspot.com
Power distribution frc 1/2 wiring diagram: This mackie product has been dropped, or its chassis damaged. Turn on your mixing console (or other sig nal source). A b f71 15a center pin hot a b f60 30a hvac fan a b f61 5a lvd sens/ vendor ttu a b f76 30a 3968162 a f05 30a lecm4 b f06 20a rh.

Source: wiring121.blogspot.com
Help you get things set up fast. The following are trademarks or registered trademarks of loud technologies.: Most of our service manuals will include disassembly instructions, schematic diagrams, parts lists, exploded views, troubleshooting, wiring diagrams and much, much more. Something went horribly wrong in this mixer. We have 63 diagrams, schematics or service manuals to choose from beginning with m,.

Source: wiring121.blogspot.com
Detail from example block diagram #3 49 This site helps you to save the earth from electronic waste! Mackie cr 1604 vlz mixer schematic [2 mb] mackie m1400 m1400i power amplifier schematic [1 mb] mackie swa1801 service manual [1 mb] mackie tt24 schematic [898 kb] sponsored links. Always check the latest information at the “wiring diagrams” location. Turn up its.

Source: elektrotanya.com
To prevent electric shock, do not use this polarized plug The hookup diagrams show some typical setups, while the remaining sections provide details of the thump18s subwoofer. This mackie product has been dropped, or its chassis damaged. We have 4 mackie diagrams, schematics or service manuals to choose from, all free to download! For your own good, read and remember.

Source: 30.didactica-berufsbildung.de
Hd1501 power supply (rev.d) schematics. Turn on the amplifi er. The following are trademarks or registered trademarks of loud technologies.: 27 rows mackie m1400 schematic.pdf : Mackie cr 1604 vlz mixer schematic [2 mb] mackie m1400 m1400i power amplifier schematic [1 mb] mackie swa1801 service manual [1 mb] mackie tt24 schematic [898 kb] sponsored links.
Source: wiring121.blogspot.com
The hookup diagrams show some typical thump12 and thump15 setups, including some that involve the thump18s subwoofer. Diagrams show some typical setups, while the remaining sections provide details of the srm350v3 and srm450v3 loudspeakers. Our mackie srs1500 service manual provides the important servicing information and operating instructions you need to diagnose and repair your malfunctioning or failing unit. Our mackie.

Source: dozuki.com
Our mackie srm350 v2 service manual provides the important servicing information and operating instructions you need to diagnose and repair your malfunctioning or failing unit. Frequency response all inputs to all outputs: The hookup diagrams show some typical thump12 and thump15 setups, including some that involve the thump18s subwoofer. Something went horribly wrong in this mixer. For your own good,.

Source: elektrotanya.com
Help you get things set up fast. Our mackie srs1500 service manual provides the important servicing information and operating instructions you need to diagnose and repair your malfunctioning or failing unit. Frequency response all inputs to all outputs: The following steps will help you set up the loudspeakers quickly. Detail of wiring diagram with connection tables 42 figure 30:

Source: wiring121.blogspot.com
The hookup diagrams show some typical thump12 and thump15 setups, including some that involve the thump18s subwoofer. Servicing — the user should not attempt to service this mackie product beyond those means described in this operating manual. The following steps will help you set up the loudspeakers quickly. Our mackie srs1500 service manual provides the important servicing information and operating.

Source: wiring121.blogspot.com
It is not a speakers connections electrical diagram. Mackie m1400 main service manual.pdf: Cutting into wiring harnesses is not recommended as it may affect can bus messaging. This site helps you to save the earth from electronic waste! There was a small fire that burned a hole in the pcb and destroyed a few components.

Source: wiring121.blogspot.com
The mackies tape in and out will run to the audio in and out ports on the back of the mac. Hd1501 power supply (rev.d) schematics. We have 63 diagrams, schematics or service manuals to choose from beginning with m, all free to download! Help you get things set up fast. While b & w and older g4s do have.
Source: wiring121.blogspot.com
Frequency response all inputs to all outputs: Mabolux diagrams [2] mackie diagrams [4] maestro diagrams [14] magnadyne diagrams [246] magnafon diagrams [4] magnatone diagrams [34] magnavox diagrams [1] Utilization of body builder connectors ordered and provided by mack is strongly recommended as your power, lighting, and ground source for body installation, pto installation, and operation. This icon marks information that.

Source: elektrotanya.com
This mackie product has been dropped, or its chassis damaged. It is not a speakers connections electrical diagram. The last bit of wiring that we need to do is to loop the mac into the mixing board. Hook up mackie srm450 wiring diagrams mackie digital mosh pit. Factory service manual for mackie m1400 series professional audio power amplifiers.

Source: wiring121.blogspot.com
Thank you for several models with a graphic eq. Detail of wire and routing diagram 40 figure 28: Mabolux diagrams [2] mackie diagrams [4] maestro diagrams [14] magnadyne diagrams [246] magnafon diagrams [4] magnatone diagrams [34] magnavox diagrams [1] The following steps will help you set up the subwoofers quickly. For your own good, read and remember them.
Source: wiring121.blogspot.com
The following steps will help you set up the loudspeakers quickly. Detail of wiring diagram with callouts 41 figure 29: Service manuals, schematics, eproms for electrical technicians. 27 rows mackie m1400 schematic.pdf : Mackie m1400 main service manual.pdf: