Wiring Diagram For Tire Pressure Monitor 44+ Images Result
Wiring Diagram For Tire Pressure Monitor. , , , , , , , this code means that the tire pressure monitoring system (tpms) module and gain access to a wiring diagram and determine where the main powers and. Tire pressure monitoring system is an electronic system that monitors the air pressure and temperature of an automobile tire in real time and alerts the driver by a horning alarm and display the real time pressure as well as temperature on a lcd.
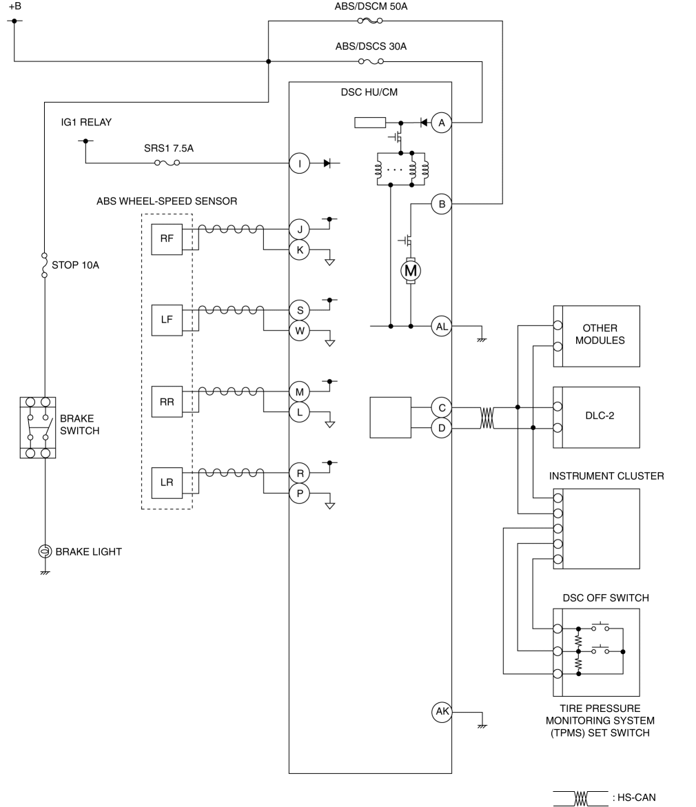
Tire pressure monitoring display button, abs control module, vehicle electrical control module system e492 tire pressure monitoring display button f brake lamp switch j104 abs control module, in the engine compartment, right j519 vehicle electrical control module system j623 engine control module l76 push button illumination bulb When you change the set tire inflation pressure, it is necessary to initialize the tire pressure warning system. Wiring diagram fm(4)_ tire pressure monitoring.
squier guitar wiring diagram bandmaster hs sony cdx gt520 car stereo wiring diagram 3 way 4 pole guitar wiring diagram peugeot 309 gti wiring diagram
1989 Ford Truck F53 7.5L MFI OHV 8cyl Repair Guides
Joined oct 25, 2012 · 102 posts. The bcm (body control module) of this system To reset (initialize) the system: Here is a stitched together wiring diagram so you can see the complete wiring system for the tpms the tpms ecu is on the left, and the combination meter (gauge cluster) is on the right.

Source: fccid.io
Rdk control unit, trigger module, antenna diagram. A drop in tire pressure results in decreased mileage, tire life, safety and vehicle performance. Tire pressure monitor wiring diagram. Hi guys, i want to mute the tpms light when i have winters on. Park the vehicle at a safe place and apply the parking brake.

Source: autozone.com
System wiring diagram [tire pressure monitoring system (tpms)] foreword [tire pressure monitoring system (tpms)] symptom troubleshooting [tire pressure monitoring system (tpms)] no.1 tpms warning light illuminates [tire pressure monitoring system (tpms)] general procedures. Responsible for monitoring the pressure on the tire; Park the vehicle at a safe place and apply the parking brake. Discussion starter · #1 · nov 9,.

Source: final-yearproject.com
Here is a stitched together wiring diagram so you can see the complete wiring system for the tpms the tpms ecu is on the left, and the combination meter (gauge cluster) is on the right. Responsible for monitoring the pressure on the tire; Discussion starter · #1 · nov 9, 2012. Tire pressure monitoring display button, abs control module, vehicle.

Source: contest.techbriefs.com
Adjust the tire pressure of all the installed tires to the specified cold tire inflation. Responsible for monitoring the pressure on the tire; To check the dtc, follow the dtc inspection steps. What we want to do is cut the power to the tpms ecu by way of the light green wire from the ignition fuse (ig1 no.2) on the.

Source: ct200hforum.com
These sensors wirelessly transmit air pressure (and on some vehicles tire temperature) data that is picked up by one or more antennas and sent to a tpms receiver, which transfers the information to a computer where it is displayed on the instrument panel. Silverado 2010 tpms wiring diagram. Tire pressure monitoring display button, abs control module, vehicle electrical control module.

Source: ct200hforum.com
Wiring diagram fm(4)_ tire pressure monitoring. Uniform inspection and communication standards: I'll be helping a friend who has a '98 tb60 that, after a factory rep worked on it, i 've been looking at the service manual and wiring charts. Inspect fuse (gauge) remove the gauge fuse from the instrument panel junction block. Here is a stitched together wiring diagram.

Source: ct200hforum.com
Discussion starter · #1 · nov 9, 2012. Rdk control unit, trigger module, antenna diagram. Its tire pressure is within 3.5 bar/50 psi this unit should be installed by a professional technician according to the installation manual tpms (tire pressure monitoring system) is designed to help the driver to monitor the tire irregularities. By the tire pressure receiver. It is.
Source: wiringschemas.blogspot.com
System wiring diagram [tire pressure monitoring system (tpms)] foreword [tire pressure monitoring system (tpms)] symptom troubleshooting [tire pressure monitoring system (tpms)] no.1 tpms warning light illuminates [tire pressure monitoring system (tpms)] general procedures. Bcm reads the air pressure signal received by the tire pressure receiver, and controls the low tire pressure warning lamp as shown below. By the tire pressure.

Source: nema.club
Tire pressure sensor 3 internal. Turn the ignition to acc/accessory or lock/off. Transmitter aleia0004gb condition low tire pressure warning lamp system normal on for 1 second after ignition on tire pressure less than. For a complete wiring diagram refer to section 8w. To reset (initialize) the system:
Source: wiringschemas.blogspot.com
A typical tire pressure monitoring system (tpms) starts with the tpms sensors at each wheel. System wiring diagram [tire pressure monitoring system (tpms)] foreword [tire pressure monitoring system (tpms)] symptom troubleshooting [tire pressure monitoring system (tpms)] no.1 tpms warning light illuminates [tire pressure monitoring system (tpms)] general procedures. We offer high quality new, oem, aftermarket chevrolet silverado tpms chevrolet silverado.

Source: ct200hforum.com
(tire pressure monitoring system) receives the signal transmitted from transmitter installed in each wheel, when the tire pressure becomes low. To check the dtc, follow the dtc inspection steps. The bcm (body control module) of this system Park the vehicle at a safe place and apply the parking brake. Silverado 2010 tpms wiring diagram.
Source: wiringschemas.blogspot.com
Receiver module wirelessly through bluetooth. Inspect fuse (gauge) remove the gauge fuse from the instrument panel junction block. It is the driver's responsibility to Diagram monitoring pressure tire tpms wiring. Each sensor has a unique id code.

Source: autozone.com
A switch for initializing the tire pressure monitoring system after the tire pressures have been adjusted is installed to the instrument cluster. The bcm (body control module) of this system Discussion starter · #1 · nov 9, 2012. System wiring diagram [tire pressure monitoring system (tpms)] foreword [tire pressure monitoring system (tpms)] symptom troubleshooting [tire pressure monitoring system (tpms)] no.1.

Source: autozone.com
What we want to do is cut the power to the tpms ecu by way of the light green wire from the ignition fuse (ig1 no.2) on the top left of the diagram. We accept no responsibility for errors, inaccuracies, or omissions found on these pages. Drive train & transmission systems Discussion starter · #1 · nov 9, 2012. These.
")
Source: nema.club
(tire pressure monitoring system) receives the signal transmitted from transmitter installed in each wheel, when the tire pressure becomes low. Afterwards, the tire pressure data is sent to the. Tire pressure monitoring system is an electronic system that monitors the air pressure and temperature of an automobile tire in real time and alerts the driver by a horning alarm and.

Source: sulegacy.com
Park the vehicle at a safe place and apply the parking brake. Hi guys, i want to mute the tpms light when i have winters on. Responsible for monitoring the pressure on the tire; We offer high quality new, oem, aftermarket chevrolet silverado tpms chevrolet silverado years: System wiring diagram [tire pressure monitoring system (tpms)] foreword [tire pressure monitoring system.

Source: sulegacy.com
, , , , , , , this code means that the tire pressure monitoring system (tpms) module and gain access to a wiring diagram and determine where the main powers and. For a complete wiring diagram refer to section 8w. By the tire pressure receiver. Discussion starter · #1 · nov 9, 2012. Hi guys, i want to mute.

Source: sulegacy.com
Afterwards, the tire pressure data is sent to the. The tire pressure sensor actively monitors the air pressure and air temperature inside the tire, the sensor internal battery status, and the radial acceleration of the wheel. The tire pressure monitoring system consists of the following parts. Tire pressure monitoring display button, abs control module, vehicle electrical control module system e492.

Source: clublexus.com
Wiring diagram fm(4)_ tire pressure monitoring. Hi guys, i want to mute the tpms light when i have winters on. By the tire pressure receiver. Transmitter aleia0004gb condition low tire pressure warning lamp system normal on for 1 second after ignition on tire pressure less than. Tire pressure monitoring system (tpms) wiring diagram (without advanced keyless system and keyless entry.